Cast irons typically contain 2-4 wt% of carbon with a high silicon concentrations and a greater concentration of impurities than steels. The carbon equivalent (CE) of a cast iron helps to distinguish the grey irons which cool into a microstructure containing graphite and and the white irons where the carbon is present mainly as cementite. The carbon equivalent is defined as:
A high cooling rate and a low carbon equivalent favours the formation of white cast iron whereas a low cooling rate or a high carbon equivalent promotes grey cast iron.
During solidification, the major proportion of the carbon precipitates in the form of graphite or cementite. When solidification is just complete, the precipitated phase is embedded in a matrix of austenite which has an equilibrium carbon concentration of about 2 wt%. On further cooling, the carbon concentration of the austenite decreases as more cementite or graphite precipitates from solid solution. For conventional cast irons, the austenite then decomposes into pearlite at the eutectoid temperature. However, in grey cast irons, if the cooling rate through the eutectoid temperature is sufficiently slow, then a completely ferritic matrix is obtained with the excess carbon being deposited on the already existing graphite.
White cast irons are hard and brittle; they cannot easily be machined.

The iron-carbon phase diagram showing the eutectic and eutectoid reactions. Reproduced with the permission of Jud Ready of the Georgia Tech. Joint Student Chapter of ASM/TMS.
Grey cast irons are softer with a microstructure of graphite in transformed-austenite and cementite matrix. The graphite flakes, which are rosettes in three dimensions, have a low density and hence compensate for the freezing contraction, thus giving good castings free from porosity.
The flakes of graphite have good damping characteristics and good machinability (because the graphite acts as a chip-breaker and lubricates the cutting tools. In applications involving wear, the graphite is beneficial because it helps retain lubricants. However, the flakes of graphite also are stress concentrators, leading to poor toughness. The recommended applied tensile stress is therefore only a quarter of its actual ultimate tensile strength.
Sulphur in cast irons is known to favour the formation of graphite flakes. The graphite can be induced to precipitate in a spheroidal shape by removing the sulphur from the melt using a small quantity of calcium carbide. This is followed by a minute addition of magnesium or cerium, which poisons the preferred growth directions and hence leads to isotropic growth resulting in spheroids of graphite. The calcuim treatment is necessary before the addition of magnesium since the latter also has an affinity for both sulphur and oxygen, whereas its spheroidising ability depends on its presence in solution in the liquid iron. The magnesium is frequently added as an alloy with iron and silicon (Fe-Si-Mg) rather than as pure magnesium.
However, magnesium tends to encourage the precipitation of cementite, so silicon is also added (in the form of ferro-silicon) to ensure the precipitation of carbon as graphite. The ferro-silicon is known as an inoculant.
Spheroidal graphite cast iron has excellent toughness and is used widely, for example in crankshafts.
The latest breakthrough in cast irons is where the matrix of spheroidal graphite cast iron is not pearlite, but bainite. This results in a major improvement in toughness and strength. The bainite is obtained by isothermal transformation of the austenite at temperatures below that at which pearlite forms.
You can click on the images to enlarge them. Very high resolution images (6 Mbytes each) can also be downloaded, as can the crystal structures of ferrite, cementite, graphite and austenite.
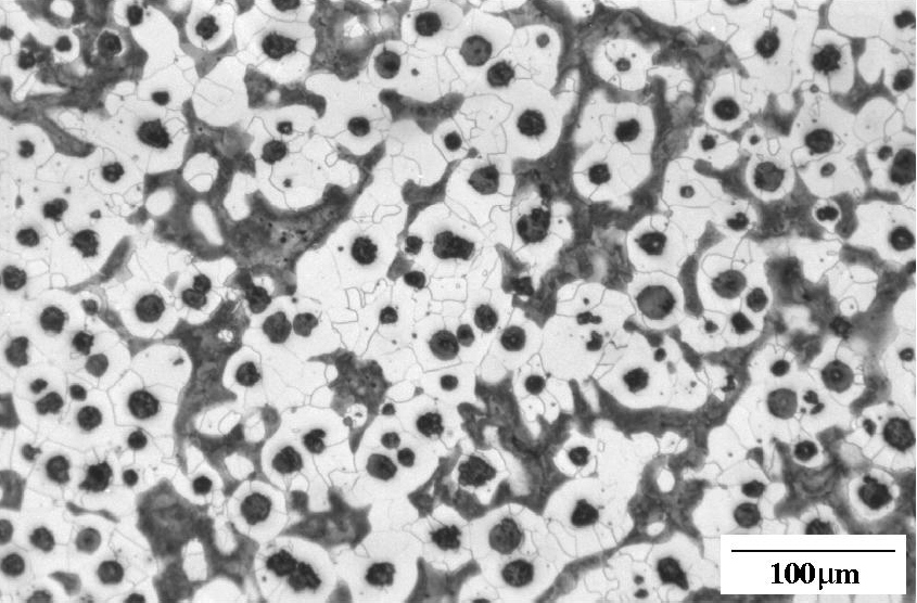
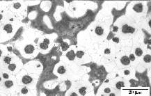
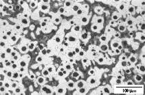
The chemical composition of the cast iron is similar to that of the grey cast iron but with 0.05 wt% of magnesium. All samples are etched using 2% nital.
Spheroidal graphite cast iron usually has a pearlitic matrix. However, annealing causes the carbon in the pearlite to precipitate on to the existing graphite or to form further small graphite particles, leaving behind a ferritic matrix. This gives the iron even greater ductility. All samples are etched using 2% nital.
![]() |
![]() |
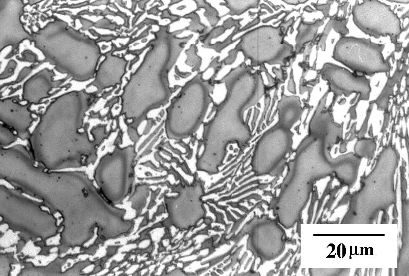
| Graphite nodules in a ferritic matrix. | Graphite nodules in a ferritic matrix. Some carbon deposited during tempering is also visible. Etchant: Nital 2% |
The chemical composition of the cast iron is Fe-3.52C-2.51Si-0.49Mn-0.15Mo-0.31Cu wt%. All samples are etched using 2% nital. Colour micrographs are produced by first etching with 2% nital, followed by open air heat treatment of the metallographic sample at 270oC for 3 h. This oxidises the sample and produces interference colours which are phase dependent.
The following images are of austempered ductile iron automobile components, provided by the Institute of Cast Metals Engineers. In order to avoid distortion, the crankshaft for the TVR sportscar is rough-machined after casting, heat-treated to produce the bainitic microstructure, and then properly machined. It is reported to have excellent fatigue properties; its damping characteristics due to graphite reduce engine noise.
The Ford Mustang suspension arm was made from austempered ductile iron in order to reduce weight, noise and cost. It was designed using finite element modelling to optimise strength and stiffness. Auminium alloys were considered but rejected because the component would then occupy a much larger space because of their lower strength.
The truck trailer suspension arm was originally made from welded steel, for use on transportation across the rugged Australian Outback. These failed at the welds and were associated with distortions which led to accelerated deterioration of the tyres. The suspension made from the cast austempered ductile iron has proved to be much more robust.
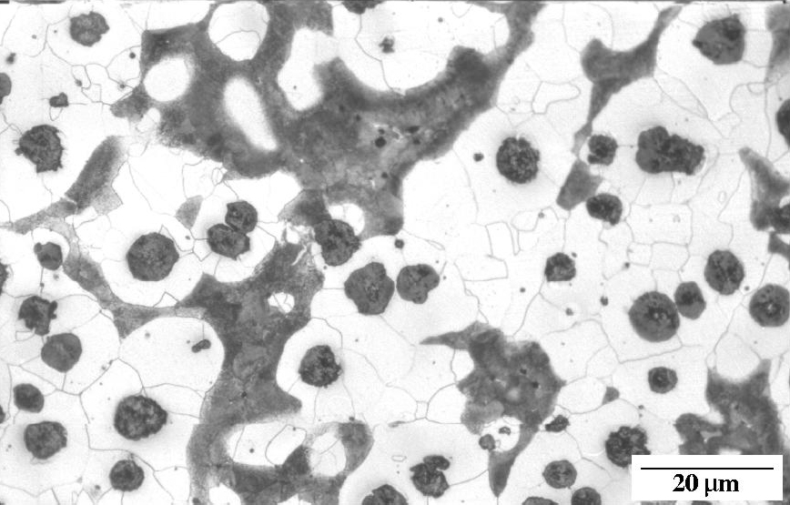
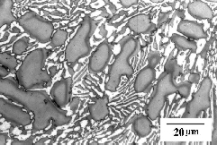
Blackheart cast iron is produced by heating white cast iron at 900-950oC for many days before cooling slowly. This results in a microstructure containing irregular though equiaxed nodules of graphite in a ferritic matrix. The term "blackheart" comes from the fact that the fracture surface has a grey or black appearance due to the presence of graphite at the surface. The purpose of the heat treatment is to increase the ductility of the cast iron. However, this process is now outdated since spheroidal graphite can be produced directly on casting by inoculating with magnesium or cerium. All samples are etched using 2% nital.
![]() |
![]() |
| Blackheart cast iron. | Blackheart cast iron. Etchant: Nital 2% |
This cast iron is used in circumstances where a very high wear resistance is desirable. For example, during the violent crushing of rocks and minerals. It contains a combination of very strong carbide-forming alloying elements. Its chemical composition is, therefore, Fe-2.6C-17Cr-2Mo-2Ni wt%.
All samples are etched using Villela's reagent, which is a mixture of picric acid, hydrochloric acid and ethanol. The material from which these micrographs were obtained was kindly provided by Dr Arnoldo Bedolla-Jacuinde of Mexico. Details of the iron have been published in the International Journal of Cast Metals Research, 13 (2001) 343-361.
The casting process is never perfect, especially when dealing with large components. Instead of scrapping defective castings, they can often be repaired by welding. Naturally, the very high carbon concentration of typical cast irons causes difficulties by introducting brittle martensite in the heat-affected zone of the weld. It is therefore necessary to preheat to a temperature of about 450°C followed by slow cooling after welding, in order to avoid cracking.
The materials used as fillers during welding usually contain large nickel concentrations so that the resulting austenitic weld metal is not sensitive to the pick-up of carbon from the cast iron. The deposits are soft and can be machined to provide the necessary shape and finish. Of course, nickel is expensive so when making large repairs, the weld gap is first covered ('buttered') with the nickel-rich filler and then the remaining gap is filled with less expensive mild-steel filler metals.
The world's first bridge made of iron in 1779. The entire structure is made of cast iron. Photographs courtesy of Yokota Tomoyuki and family.
The pictures below show a half-penny token coined in 1792, one side showing the a ship passing under the world's first iron bridge. Iron ore and coal were transported via a canal, but the iron-works at Ketley were 22 m above this canal. So an "inclined plane" (2nd image) was built so that boats could be lifted via a cradle and a lock into the upper part of the canal that led to the iron-works.
The token was made available courtesy of Michael Cook.
III |
Cast iron has a "solid feel" and has an appealing appearance. There are many conventional applications of cast iron.
![]() 5th edition published 2024 |
![]() Free download |
![]() Free download |
![]() Available |
![]() Free download Published 2021 |
![]() Published, 2023 |
![]() Published 2022 |
![]() October 8th, 2024 |
The following photographs have kindly been provided by Ben Dennis-Smither, Frank Clarke and Mohamed Sherif.
The following photographs were kindly provided by Jim Charles.
Ancient cast iron jewellery |
Ancient cast iron jewellery |
Photographs courtesy of Mathew Peet
The following photographs have kindly been provided by Francisca Caballero and Carlos Capdevila Montes.
Review of a book on Cast Irons containing Rare Earths.
| Superalloys | Titanium | Bainite | Martensite | Widmanstätten ferrite |
| Cast iron | Welding | Allotriomorphic ferrite | Movies | Slides |
| Neural Networks | Creep | Mechanicallly Alloyed | Theses | Stainless Steels |
| PT Group Home | Materials Algorithms |