Nickel based superalloy: dislocation structure

H. K. D. H. Bhadeshia

Nickel based superalloys are particularly important in the manufacture of aeroengines and industrial gas turbines.

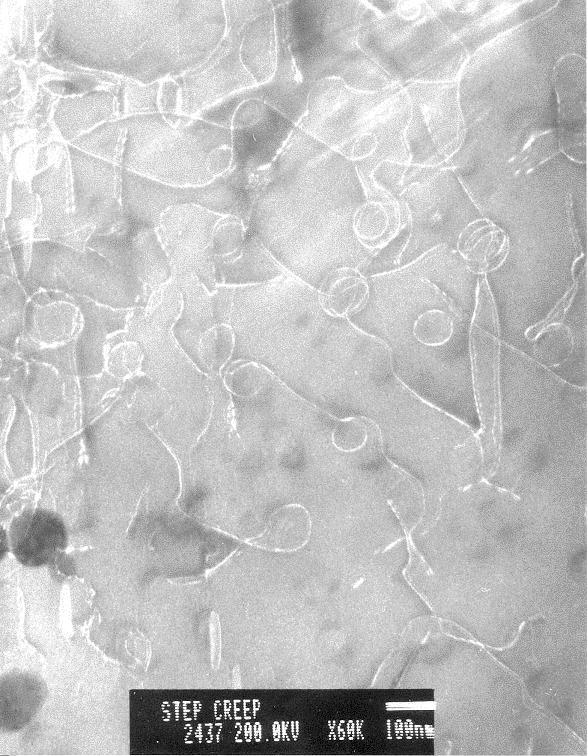
The transmission electron micrograph below is taken from a nickel-based superalloy, known commercially as 'C263'. The alloy is used in the manufacture of gas turbine combustion chambers. It was heat treated at 800oC for 8 h, with an initial average $\gamma'$ size of about 22 nm. The fraction of $\gamma'$ is 0.1. The alloy was creep tested at 800oC at a stress of 160 MPa for about 2.5 days. The creep strain recorded was about 0.7%. The micrograph shows the dislocation structure following creep, with dislocations looping around the $\gamma'$ particles.

TEM image

Notice that the dislocations in the image are paired-loops (i.e. superdislocation loops).

In all nickel based superalloys, the presence of the $\gamma'$ phase hinders the motion of dislocations even though it is coherent with the matrix. This is because it has an ordered crystal structure. In $\gamma$ the Burgers vector of a dislocation is ${a\over 2}<1~1~0>$; this is, of course, a lattice vector so that slip does not alter the crystal structure. However, for $\gamma'$ ${a\over 2}<1~1~0>$ is not a lattice vector - ${a}<1~1~0>$ is the lattice vector for a primitive cubic lattice. It follows that the motion of an ${a\over 2}<1~1~0>_\gamma$ dislocation into the $\gamma'$ will disrupt the order, leaving behind an anti-phase domain boundary. However, the passage of a second such dislocation through $\gamma'$ on the same slip plane restores the order.

As a consequence, the penetration of $\gamma'$ has to occur by pairs of $\gamma$ dislocations. Such pairs are called `superdislocations'. The requirement for pairing makes it more difficult for dislocations to penetrate the $\gamma'$ and hence improves the resistance to creep deformation.

Lattice vectors along <110> directions in γ and γ', lying on { 111 } planes. The γ on the left has a random distribution of Ni, Al and Ti atoms, whereas the γ' on the right has its nickel atoms located at the face-centres.

Download high resoultion TIF file of transmission electron micrograph.

Acknowledgment

The micrograph has been provided for teaching purposes by Dr Yanhui Zhang.


Superalloys Titanium Bainite Martensite Widmanstätten ferrite
Cast iron Welding Allotriomorphic ferrite Movies Slides
Neural Networks Creep Mechanicallly Alloyed Theses Retained Austenite
Kirkendall Dendrites Cementite Thermodynamics Kinetics


PT Group Home Materials Algorithms Any Valid CSS!