<--Previous  Up  Next-->

0868-01V-5-426

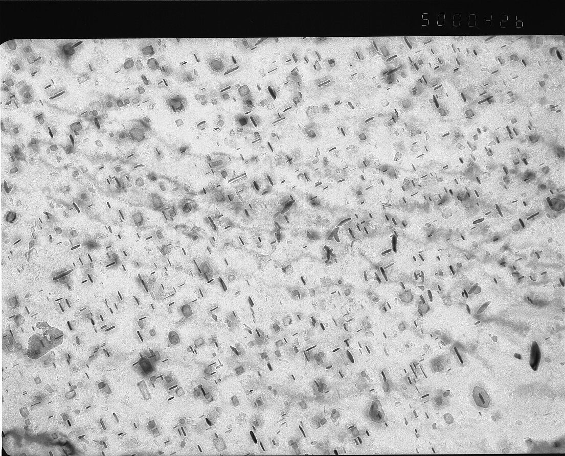
Tempered martensite in Fe-V-C steel.