<--Previous  Up  Next-->

35030

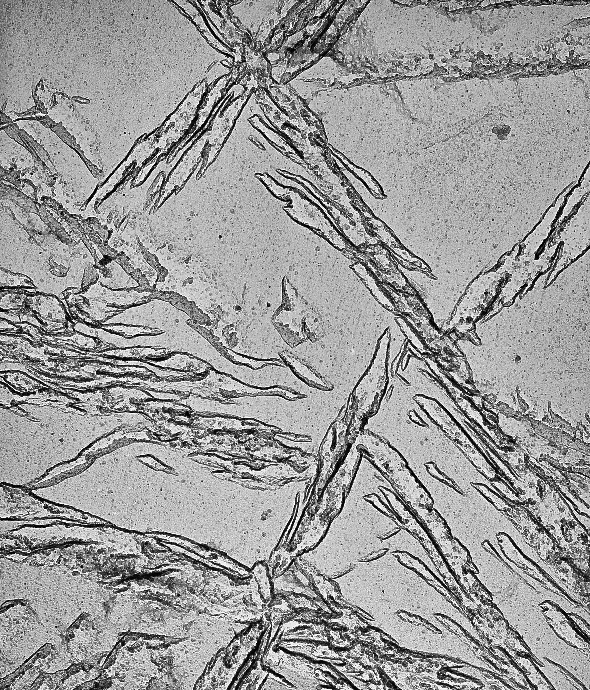
Cast iron. For details see https://www.phase-trans.msm.cam.ac.uk/2001/adi/photo.html