<--Previous  Up  Next-->

7

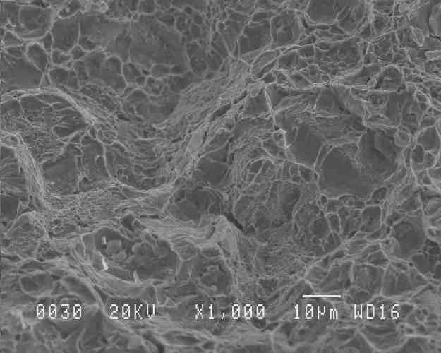
Fractograph of delta-TRIP steel, as cast, tensile tested at ambient temperature.