Current page: 4




<--Previous  Up  Next-->

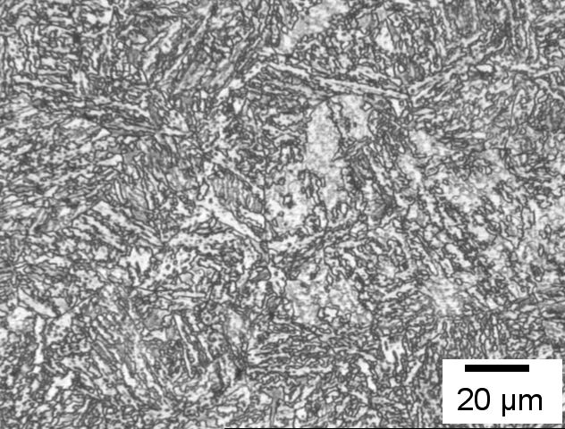
Alloy 1, as-rolled, mixture of bainite, martensite and retained austenite