Current page: 1




Up  Next-->

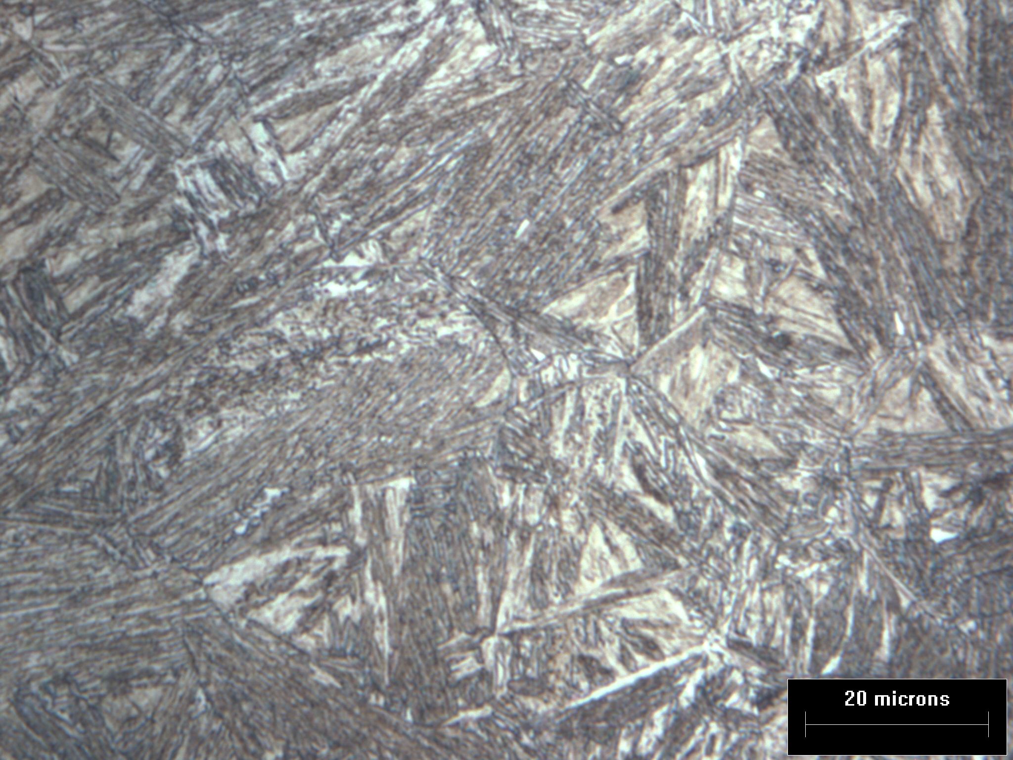
Alloy 2, as-rolled, mixture of bainite, martensite and retained austenite