Current page: 7




<--Previous  Up  Next-->

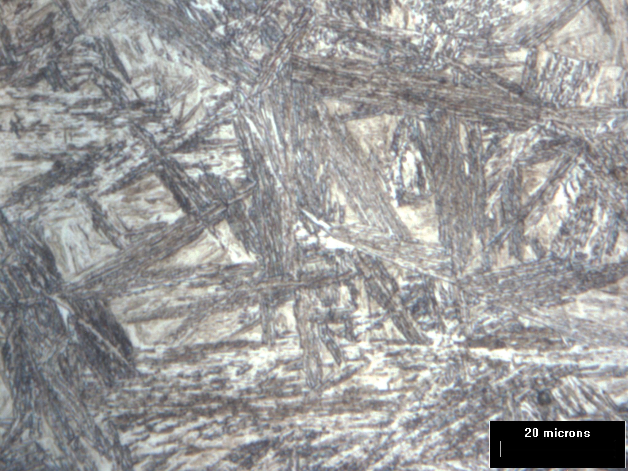
Alloy 2, as-rolled, mixture of bainite, martensite and retained austenite