Decarburization of Steel

R. Cornell and H. K. D. H. Bhadeshia

A discussion of diffusion and its effects can be found in a set of lectures available online.

Steel is incredibly versatile because it can be heat-treated in order to produce a vast range of microstructures and associated mechanical properties. The heat-treatment usually involves the steel being heated into a temperature in the austenite phase field. This temperature is quite high, in the range 800-1200 oC, depending on the details of the chemical composition.

Commercial heat treatments are generally carried out in electrical (resistance) furnaces or natural gas fired furnaces. The size of the furnace may range from a moderately sized building to handle many thousands of tonnes of steel, to a furnace the size of a microwave oven.

It is inevitable that the furnace atmosphere contains oxygen. More accurately, the chemical potential of carbon in the atmosphere may be lower than that in the steel being heat treated. Carbon will therefore be removed from the steel by the process commonly known as "Decarburization".

The chemical composition of steel M0 is approximately Fe-0.8C wt%. It has been heated in an electric furnace, without any particular protection, at 1200 oC for 2 hours and then cooled slowly to ambient temperature.

The sample of M0 was then ground flat on one surface using SiC grinding paper lubricated with water, followed by polishing with fine diamond paste. Once an acceptable polish was obtained, the sample was etched in 2% nital (a mixture of nitric acid and methanol) for 20 seconds before washing with methanol and drying using warm air. The resulting cross-section reveals the extent of decarburization at the surface, with remarkable changes in microstructure with distance away from the surface.

FeC.gif Iron-carbon phase diagram, reproduced with the permission of Jud Ready of the Georgia Tech. Joint Student Chapter of ASM/TMS.

You will find below a series of micrographs taken as a function of position away from the surface, and at a variety of magnifications. You can click on each image to see an expanded version. Additional information on decarburization and its commercial importance can be found in the links at the bottom of this page.

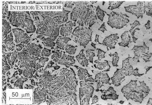
Decarburised surface (low magnification) .
Robert1.jpg The microstructure at the free surface of the steel. Note that the amount of ferrite (light etching phase) increases as the surface is approached. The ferrite nucleates at the austenite grain boundaries and hence appears as layers. The dark etching regions are mixtures of Widmanstatten ferrite and pearlite which form after the grain boundary layers of ferrite.

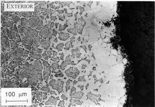
Away from surface (low magnification) .
Robert1.jpg The microstructure away from the surface of the steel. There is a much smaller quantity of ferrite.

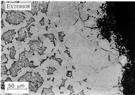
Decarburised surface (High magnification) .
Robert6.jpg Higher magnification image. The microstructure at the free surface of the steel. At the higher magnification it becomes clear that the top surface is almost completely denuded of carbon. The oxygen has therefore started to oxidise the iron. The oxidation is penetrating the prior austenite grain boundaries because these are high-energy sites. A much higher magnification image is also available to illustrate this phenomenon.

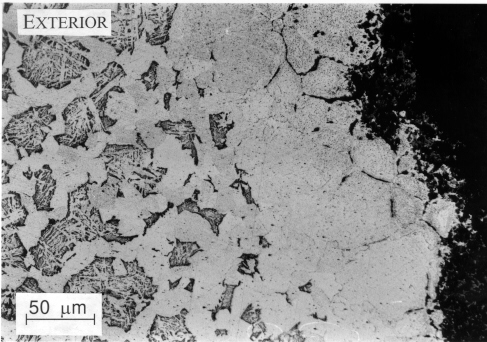
Between surface & interior (High magnification) .
Robert7.jpg An image taken in a region between the surface and the unaffected interior of the sample. The microstructure on the left is representative of a low-carbon steel whereas that on the left of a higher carbon steel. Thus, the allotriomorphic ferrite content decreases, to be replaced by Widmanstatten ferrite as the interior regions are approached.

Away from surface (High magnification) .
Robert5.jpg Higher magnification image. The microstructure away from the surface of the steel. The Widmanstatten ferrite is more apparent at this higher magnification. Notice that the steel cannot be of exactly the eutectoid composition since there is some ferrite even in the regions which are not decarburized. It is better described as hypoeutectoid. A much higher magnification image is also available to illustrate this phenomenon.

Question

Explain how decarburisation causes a variation in the microstructure in a slowly cooled eutectoid steel as a function of the distance from the exposed surface.

A Fe-0.7C wt.% steel is decarburised at 1200 K such that a constant carbon concentration of 0.1 wt.% is maintained at the exposed surface. If the diffusion coefficient for carbon in austenite is $2\times 10^{-5}{\rm\,mm^2\,s^{-1}}$, how long will it take for the depth at which the concentration is 0.4 wt.% to become 2.5 mm?

How does your calculated time compare with an estimate made assuming that the diffusion distance is $2\sqrt{Dt}$? Comment on why the two results are different.

How can decarburisation be prevented in practice?

Answer

By referring to the phase diagram, it can be deduced that the surface will be rich in ferrite, the unaffected regions away from the surface will be fully pearlitic. The intermediate regions will have a mixture of ferrite and pearlite according to the lever rule applied at the eutectoid temperature.

Using the error function solution,


\begin{displaymath}{{0.1-0.4}\over{0.1-0.7}} =\hbox{erf} 
\bl( {{2.5}\over{2\sqrt... 
...{2.5}\over{2\sqrt{Dt}}}\qquad \hbox{and}\qquad t=96.2\,{\rm h} 
\end{displaymath}

On the other hand, with


\begin{displaymath}x=2\sqrt{Dt} \qquad \hbox{we get }\qquad t=135.6\,{\rm h} \end{displaymath}

The difference arises because this estimate assumes random walk, whereas diffusion in a concentration gradient is driven along a particular direction.

Decarburisation can be prevented by heat treatment in an intert atmosphere, by wrapping the component in stainless steel foil, or by painting with an isolating paint.

Links


Superalloys Titanium Bainite Martensite Widmanstätten ferrite
Cast iron Welding Allotriomorphic ferrite Movies Slides
Neural Networks Creep Mechanicallly Alloyed Theses Retained Austenite


PT Group Home Materials Algorithms Any Valid CSS!