A combination of neural networks and genetic algorithms has been used to design a TRIP-assisted steel in which the silicon concentration is kept low. In this context the steel has a novel microstructure consisting of δ-ferrite dendrites and a residual phase which at high temperatures is austenite. This austenite can, with appropriate heat-treatment, evolve into a mixture of bainitic ferrite and carbon-enriched retained austenite. The steel has been manufactured and tested to reveal a tensile strength of about 1~GPa and a uniform elongation of 23%.
A two-minute interview conducted by Mathew Peet, about the research documented in the paper.

δ-TRIP steel, Fe 0.41C 2.42Mn 0.46Si 1.57Al 0.26P 0.42Cu wt%, as cast. |

δ-TRIP steel, Fe 0.41C 2.42Mn 0.46Si 1.57Al 0.26P 0.42Cu wt%, as cast. |

δ-TRIP steel, Fe 0.41C 2.42Mn 0.46Si 1.57Al 0.26P 0.42Cu wt%, heat treated. |

δ-TRIP steel, Fe 0.41C 2.42Mn 0.46Si 1.57Al 0.26P 0.42Cu wt%, heat treated. |

δ-TRIP steel, Fe 0.41C 2.42Mn 0.46Si 1.57Al 0.26P 0.42Cu wt%, heat treated |

δ-TRIP steel, Fe 0.41C 2.42Mn 0.46Si 1.57Al 0.26P 0.42Cu wt%, as cast. |

δ-TRIP steel, Fe 0.41C 2.42Mn 0.46Si 1.57Al 0.26P 0.42Cu wt%, as cast. |

δ-TRIP steel, Fe 0.41C 2.42Mn 0.46Si 1.57Al 0.26P 0.42Cu wt%, as cast. |

δ-TRIP steel, Fe 0.41C 2.42Mn 0.46Si 1.57Al 0.26P 0.42Cu wt%, as cast. |

δ-TRIP steel, Fe 0.41C 2.42Mn 0.46Si 1.57Al 0.26P 0.42Cu wt%, as cast. |

δ-TRIP steel, Fe 0.41C 2.42Mn 0.46Si 1.57Al 0.26P 0.42Cu wt%, as cast. |

δ-TRIP steel, Fe 0.41C 2.42Mn 0.46Si 1.57Al 0.26P 0.42Cu wt%, as cast. |

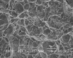
Fractograph of δ-TRIP steel, as cast, tensile tested at ambient temperature. |

Fractograph of δ-TRIP steel, as cast, tensile tested at ambient temperature. |

Fractograph of δ-TRIP steel, as cast, tensile tested at ambient temperature. |

Fractograph of δ-TRIP steel, as cast, tensile tested at ambient temperature. |

Fractograph of δ-TRIP steel, as cast, tensile tested at ambient temperature. |

Fractograph of δ-TRIP steel, as cast, tensile tested at ambient temperature. |

Fractograph of δ-TRIP steel, as cast, tensile tested at ambient temperature. |

Fractograph of δ-TRIP steel, as cast, tensile tested at ambient temperature. |

Fractograph of δ-TRIP steel, as cast, tensile tested at ambient temperature. |

Fractograph of δ-TRIP steel, as cast, tensile tested at ambient temperature. |

Fractograph of δ-TRIP steel, as cast, tensile tested at ambient temperature. |

Fractograph of δ-TRIP steel, as cast, tensile tested at ambient temperature. |

Fractograph of δ-TRIP steel, as cast, tensile tested at ambient temperature. |

Fractograph of δ-TRIP steel, as cast, tensile tested at ambient temperature. |

Fractograph of δ-TRIP steel, as cast, tensile tested at ambient temperature. |

Fractograph of δ-TRIP steel, as cast, tensile tested at ambient temperature. |

Fractograph of δ-TRIP steel, as cast, tensile tested at ambient temperature. |

Fractograph of δ-TRIP steel, as cast, tensile tested at ambient temperature. |

Fractograph of δ-TRIP steel, as cast, tensile tested at ambient temperature. |

Fractograph of δ-TRIP steel, as cast, tensile tested at ambient temperature. |

Fractograph of δ-TRIP steel, as cast, tensile tested at ambient temperature. |

Fractograph of δ-TRIP steel, as cast, tensile tested at ambient temperature. |

Fractograph of δ-TRIP steel, as cast, tensile tested at ambient temperature. |

Fractograph of δ-TRIP steel, as cast, tensile tested at ambient temperature. |

Fractograph of δ-TRIP steel, as cast, tensile tested at ambient temperature. |

Fractograph of δ-TRIP steel, as cast, tensile tested at ambient temperature. |

Fractograph of δ-TRIP steel, as cast, tensile tested at ambient temperature. |

Fractograph of δ-TRIP steel, as cast, tensile tested at ambient temperature. |

Fractograph of δ-TRIP steel, as cast, tensile tested at ambient temperature. |

Fractograph of δ-TRIP steel, as cast, tensile tested at ambient temperature. |